Trong thế giới công nghiệp hiện đại, sự phát triển của máy móc và thiết ...
Trong thế giới xây dựng và sửa chữa nhà cửa, có một công cụ đơn ...
Trong thế giới công nghiệp và tự động hóa hiện đại, việc đo lường và ...
Trong thế giới công nghệ hiện đại, cảm biến chuyển động đóng vai trò quan ...
Trong thế giới công nghệ hiện đại, mạch điện tử đóng vai trò quan trọng, ...
Trong thế giới cơ khí và kỹ thuật, vít me là một trong những cơ ...
IC nguồn (Power IC hay Power Management IC) là một loại vi mạch điện tử ...
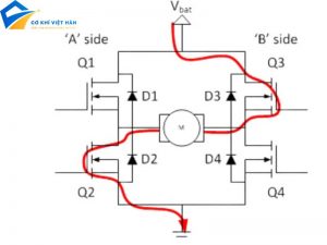
Mạch cầu H (hay H-bridge) là một mạch điện tử đóng vai trò quan trọng ...
Laser diode hay còn gọi là laser bán dẫn, laser chùm điểm là một loại ...
Trong các phương pháp gia công cơ khí truyền thống, máy phay là một trong ...
Tên tài khoản hoặc địa chỉ email *
Mật khẩu *
Ghi nhớ mật khẩu Đăng nhập
Quên mật khẩu?