Mạch cầu H (hay H-bridge) là một mạch điện tử đóng vai trò quan trọng trong việc điều khiển động cơ đặc biệt là động cơ DC. Nó có khả năng điều khiển chiều quay và tốc độ của động cơ bằng cách thay đổi cực dương và cực âm đến động cơ. Trong bài viết này, chúng ta sẽ tìm hiểu sâu hơn về mạch cầu H, cấu trúc, nguyên lý hoạt động và các ứng dụng phổ biến.
Cấu trúc của mạch cầu H
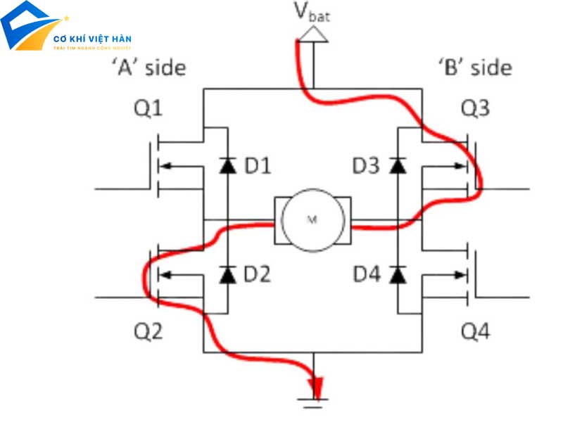
Mạch cầu H bao gồm bốn khối chuyển mạch chính, thường là bộ công tắc thiết bị bán dẫn như transistor hoặc mosfet. Các khối chuyển mạch này được sắp xếp thành hình chữ “H”, do đó được gọi là mạch cầu H.
Trong cấu trúc mạch cầu H, có hai nhánh chuyển mạch nằm ngang, mỗi nhánh gồm hai khối chuyển mạch nối tiếp nhau. Giữa hai nhánh này, động cơ DC được kết nối. Nguồn cấp điện cho mạch được kết nối với các đầu của hai nhánh chuyển mạch ngang.
>> Tham khảo các loại bulong inox

Nguyên lý hoạt động của mạch cầu H
Để điều khiển chiều quay của động cơ DC, mạch cầu H hoạt động bằng cách đóng và mở các khối chuyển mạch một cách đồng bộ. Có bốn trạng thái chính của mạch cầu H:
- Trạng thái chạy tới: Trong trạng thái này, khối chuyển mạch trên của nhánh bên trái (Q1) và khối chuyển mạch dưới của nhánh bên phải (Q4) được đóng, trong khi hai khối chuyển mạch còn lại (Q2 và Q3) được mở. Điều này tạo ra dòng điện chạy từ nguồn qua động cơ theo một hướng nhất định, làm cho động cơ quay theo chiều thuận.
- Trạng thái chạy lui: Ngược lại với trạng thái chạy tới, khối chuyển mạch dưới của nhánh bên trái (Q3) và khối chuyển mạch trên của nhánh bên phải (Q2) được đóng, còn hai khối chuyển mạch khác (Q1 và Q4) được mở. Điều này làm đảo ngược chiều dòng điện chạy qua động cơ, khiến động cơ quay ngược chiều.
- Trạng thái phanh: Trong trạng thái này, khối chuyển mạch trên của nhánh bên trái (Q1) và khối chuyển mạch dưới của nhánh bên phải (Q4) được mở, trong khi hai khối chuyển mạch còn lại (Q2 và Q3) được đóng. Điều này tạo ra một mạch ngắn mạch qua động cơ, khiến động cơ dừng quay do lực phanh điện từ.
- Trạng thái đứng im: Tất cả bốn khối chuyển mạch đều được mở, ngắt kết nối nguồn với động cơ. Trong trạng thái này, động cơ sẽ đứng im do không có dòng điện chạy qua.
Bằng cách điều khiển thời gian đóng/mở của các khối chuyển mạch, mạch cầu H có thể điều chỉnh tốc độ quay của động cơ thông qua kỹ thuật điều chế rộng xung (PWM). Ngoài ra, mạch cầu H cũng có khả năng bảo vệ động cơ khỏi hiện tượng quá dòng bằng cách giới hạn dòng điện chạy qua động cơ.
Ứng dụng của mạch cầu H
Mạch cầu H được sử dụng rộng rãi trong các ứng dụng điều khiển động cơ DC, bao gồm:
- Hệ thống lái xe điện: Mạch cầu H được sử dụng để điều khiển động cơ trong các xe điện, xe lăn, xe đẩy hàng, v.v.
- Rô-bốt và cơ cấu tự động hóa: Trong lĩnh vực rô-bốt và tự động hóa, mạch cầu H được sử dụng để điều khiển các động cơ phục vụ cho chuyển động của các cánh tay rô-bốt, bánh xe, v.v.
- Máy in và máy quét: Trong các thiết bị văn phòng như máy in và máy quét, mạch cầu H được sử dụng để điều khiển động cơ dẫn đường giấy và các bộ phận chuyển động khác.
- Điều khiển cửa tự động: Mạch cầu H được sử dụng để điều khiển động cơ mở/đóng cửa tự động trong các hệ thống an ninh, cửa ga-ra, cửa cuốn, v.v.
- Máy sản xuất và thiết bị công nghiệp: Trong các nhà máy sản xuất, mạch cầu H được sử dụng để điều khiển các động cơ trong dây chuyền lắp ráp, máy móc, thiết bị vận chuyển và xử lý vật liệu.
- Đồ chơi và mô hình: Mạch cầu H cũng được sử dụng trong các đồ chơi điều khiển từ xa, mô hình xe, rô-bốt đồ chơi để điều khiển các động cơ.
- Điều khiển động cơ trong các dự án DIY (Làm đồ tự chế): Với sự phổ biến của các board vi điều khiển như Arduino, Raspberry Pi, mạch cầu H thường được sử dụng trong các dự án DIY để điều khiển động cơ.
Các chip mạch cầu H phổ biến

Trên thị trường hiện nay có nhiều chip mạch cầu H khác nhau, bao gồm:
- L293D: Đây là một chip mạch cầu H phổ biến, có thể điều khiển hai động cơ DC độc lập với dòng điện lên đến 600mA cho mỗi kênh.
- L298N: Chip này có khả năng điều khiển hai động cơ DC với dòng điện lên đến 2A cho mỗi kênh, phù hợp cho các ứng dụng yêu cầu công suất cao hơn.
- TB6612FNG: Chip mạch cầu H này có thể điều khiển hai động cơ DC với dòng điện lên đến 1.2A cho mỗi kênh, được tích hợp các tính năng bảo vệ quá dòng và nhiệt độ cao.
- DRV8833: Đây là một chip mạch cầu H dòng sản phẩm của Texas Instruments, có khả năng điều khiển hai động cơ DC với dòng điện lên đến 1.5A cho mỗi kênh.
- A4988: Chip này được thiết kế đặc biệt để điều khiển động cơ bước, nhưng cũng có thể được sử dụng để điều khiển động cơ DC thông qua mạch cầu H tích hợp.
Các chip mạch cầu H này thường được tích hợp trong các module hoặc shield dành riêng cho các board vi điều khiển như Arduino, Raspberry Pi, v.v. để thuận tiện cho việc sử dụng và lập trình.
Mạch cầu H là một mạch điện tử quan trọng trong điều khiển động cơ DC, đặc biệt là trong các ứng dụng như xe điện, rô-bốt, cửa tự động, máy in và nhiều lĩnh vực khác. Với khả năng điều khiển chiều quay và tốc độ của động cơ, mạch cầu H trở thành một phần tử không thể thiếu trong các hệ thống tự động hóa và điều khiển chuyển động. Hiểu biết về cấu trúc, nguyên lý hoạt động và các ứng dụng của mạch cầu H sẽ giúp các kỹ sư và nhà phát triển có thể tận dụng tối đa khả năng của nó trong các dự án và sản phẩm của mình.
- Địa chỉ: Số 100/B3 Nguyễn Cảnh Dị, KĐT Đại Kim, Hoàng Mai, HN
- Điện thoại: 02466 870 468 – Hotline: 0917 014 816 / 0979 293 644
- Email: cokhiviethan.hanoi@gmail.com | bulongviethan@gmail.com

