Bu lông là một trong những kết nối cơ khí phổ biến nhất, được sử dụng rộng rãi trong nhiều ngành công nghiệp. Trong số các tiêu chuẩn quốc tế về bu lông, DIN 933 là một trong những tiêu chuẩn phổ biến và được áp dụng rộng rãi. Bảng tra kích thước bu lông ren suốt DIN 933 là một công cụ hữu ích để lựa chọn bu lông phù hợp với yêu cầu ứng dụng.
Tìm Hiểu Tiêu Chuẩn Bu Lông DIN 933
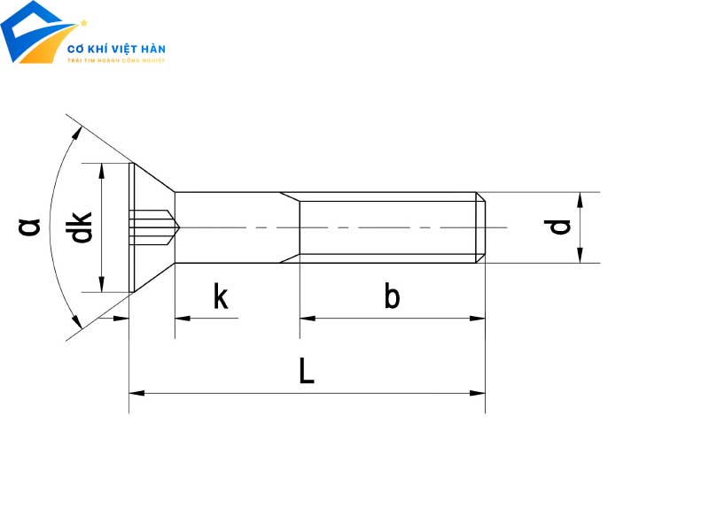
DIN 933 là tiêu chuẩn quốc gia của Đức về bu lông ren suốt (hexagon head bolt with full thread), được Viện Tiêu chuẩn Đức (DIN) ban hành. Tiêu chuẩn này quy định các thông số kỹ thuật cơ bản của bu lông ren suốt như:

- Hình dạng và kích thước của đầu bu lông
- Kích thước đường kính ren và bước ren
- Chiều dài bu lông
- Chất liệu và độ bền
Các thông số này được đưa ra nhằm đảm bảo tính tương thích và tính năng hoạt động của bu lông ren suốt DIN 933 trong các ứng dụng khác nhau.
Bảng Tra Kích Thước Bu Lông Ren Suốt DIN 933
Bảng tra kích thước bu lông ren suốt DIN 933 là một công cụ quan trọng giúp người dùng dễ dàng lựa chọn được bu lông phù hợp với yêu cầu. Dưới đây là một mẫu bảng tra chính xác và đầy đủ:
| Kích Thước | Đường Kính Ren (d) | Bước Ren (p) | Chiều Dài (l) |
|---|---|---|---|
| M3 | 3 mm | 0.5 mm | 6, 8, 10, 12, 16, 20, 25, 30, 35, 40, 45, 50, 60 mm |
| M4 | 4 mm | 0.7 mm | 6, 8, 10, 12, 16, 20, 25, 30, 35, 40, 45, 50, 60 mm |
| M5 | 5 mm | 0.8 mm | 8, 10, 12, 16, 20, 25, 30, 35, 40, 45, 50, 60 mm |
| M6 | 6 mm | 1.0 mm | 8, 10, 12, 16, 20, 25, 30, 35, 40, 45, 50, 60 mm |
| M8 | 8 mm | 1.25 mm | 10, 12, 16, 20, 25, 30, 35, 40, 45, 50, 60, 70, 80, 90, 100 mm |
| M10 | 10 mm | 1.5 mm | 12, 16, 20, 25, 30, 35, 40, 45, 50, 60, 70, 80, 90, 100 mm |
| M12 | 12 mm | 1.75 mm | 16, 20, 25, 30, 35, 40, 45, 50, 60, 70, 80, 90, 100, 110, 120 mm |
| M16 | 16 mm | 2.0 mm | 20, 25, 30, 35, 40, 45, 50, 60, 70, 80, 90, 100, 110, 120, 130, 140, 150 mm |
Bảng này cho thấy kích thước cơ bản của bu lông ren suốt DIN 933 bao gồm đường kính ren, bước ren và chiều dài. Người dùng có thể dễ dàng tham khảo và lựa chọn bu lông phù hợp với yêu cầu ứng dụng.
Chọn Bu Lông Phù Hợp Dựa Trên Bảng Tra
Khi lựa chọn bu lông ren suốt DIN 933, người dùng cần xem xét các yếu tố sau:
- Đường kính ren (d): Xác định đường kính ren phù hợp với kích thước lỗ khoan trên chi tiết cần lắp ráp.
- Chiều dài (l): Chọn chiều dài bu lông đủ để vừa với độ dày của chi tiết cần nối.
- Chất liệu: Tùy theo yêu cầu về độ bền, chống ăn mòn… mà lựa chọn chất liệu thép, inox, đồng… phù hợp.
- Độ bền: Kiểm tra độ bền cơ học (cấp độ bền) của bu lông để đáp ứng được yêu cầu tải trọng.
- Tiêu chuẩn khác: Ngoài DIN 933, người dùng cũng có thể tham khảo các tiêu chuẩn khác như ISO, ANSI, JIS… tùy vào nhu cầu ứng dụng.
Khi đã xác định được các thông số cần thiết, người dùng có thể dễ dàng tìm thấy bu lông phù hợp trong bảng tra kích thước DIN 933.
Ưu Điểm Khi Sử Dụng Bảng Tra Kích Thước DIN 933

Việc sử dụng bảng tra kích thước bu lông ren suốt DIN 933 mang lại nhiều lợi ích cho người dùng, bao gồm:
- Dễ Dàng Lựa Chọn Kích Thước Phù Hợp: Bảng tra giúp người dùng dễ dàng xác định được các kích thước cơ bản của bu lông như đường kính ren, bước ren, chiều dài.
- Đảm Bảo Tính Tương Thích: Các thông số trong bảng tra tuân thủ đúng tiêu chuẩn DIN 933, đảm bảo tính tương thích khi lắp ráp.
- Tiết Kiệm Thời Gian Và Công Sức: Người dùng không cần phải tự tính toán các thông số kỹ thuật của bu lông, tiết kiệm thời gian và công sức.
- Tăng Độ Chính Xác: Việc sử dụng bảng tra giúp người dùng chọn được bu lông chính xác, tránh các sai lệch có thể xảy ra khi tự tính toán.
- Phù Hợp Với Nhiều Ứng Dụng: Bảng tra kích thước DIN 933 có thể áp dụng cho nhiều lĩnh vực công nghiệp khác nhau như cơ khí, ô tô, xây dựng…
Nhờ những ưu điểm trên, bảng tra kích thước bu lông ren suốt DIN 933 đang trở thành công cụ hữu ích và phổ biến trong nhiều ngành công nghiệp.
Tiêu chuẩn DIN 933 về bu lông ren suốt là một trong những tiêu chuẩn được áp dụng rộng rãi trên thế giới. Bảng tra kích thước bu lông theo tiêu chuẩn này là một công cụ vô cùng hữu ích, giúp người dùng dễ dàng lựa chọn được bu lông phù hợp với yêu cầu ứng dụng. Khi sử dụng bảng tra, người dùng cần xem xét các thông số như đường kính ren, chiều dài, chất liệu và độ bền để chọn đúng bu lông. Việc sử dụng bảng tra không chỉ tiết kiệm thời gian và công sức, mà còn đảm bảo tính tương thích và độ chính xác. Hy vọng bài viết đã cung cấp cho bạn những thông tin hữu ích về bảng tra kích thước bu lông ren suốt DIN 933.
Nếu còn bất kỳ thắc mắc nào, hãy liên hệ với chúng tôi Cơ Khí Việt Hàn để được hỗ trợ thêm. Chúc bạn thành công!
- Địa chỉ: Số 100/B3 Nguyễn Cảnh Dị, KĐT Đại Kim, Hoàng Mai, HN
- Điện thoại: 02466 870 468 – Hotline: 0917 014 816 / 0979 293 644
- Email: cokhiviethan.hanoi@gmail.com | bulongviethan@gmail.com

